Eastron TPM-CT-C-EU
-Třída přesnosti měření 0,5S
-LCD displej, snadné nastavení a kontrola
-Měřič s 3CT pro snadnou instalaci
-Kompatibilní s měniči GROWATT
Manuály
044.0109500 TPM-CT-E-EU Quick Guide-2023.12.18.cd
1.Přehled
SDM630MCT V2 je multifunkční měřicí přístroj na DIN lištu určený pro přesné měření a zobrazování parametrů ve 3P3W/3P4W napájení. jako je napětí, proud, výkon, frekvence, činný výkon, jalový výkon, kladná energie, zpětná energie, celkové harmonické, atd. Je ideální volbou pro monitorování elektrické energie v reálném čase, vyznačuje se širokou škálou funkcí a aplikací s vysokou stabilitou v průběhu celého roku. prodlouženou životností. Měřič pracuje s externím proudovým transformátorem a lze jej použít v síti vysokého i nízkého napětí. Je je vybaven komunikačním rozhraním RS485, které podporuje maximální přenosovou rychlost 38400 bps a umožňuje vzdálenou komunikaci.
Technické parametry
Obecné specifikace |
|
| Jmenovité napětí | 3×230/400Vac |
| Jmenovitá frekvence | 50/60Hz |
| Rozsah napětí L-N | 100 ~ 276Vac |
| Rozsah napětí L-L | 173 ~ 480Vac |
| Rozsah pomocného napájecího napětí | 85 ~ 275Vac nebo 120 ~ 380Vdc |
| Výdržné napětí AC | 4KV pro 1min |
| Rozsah vstupního proudu | 1A nebo 5A |
| Krátkodobý nadproud | 20*IMAX for 0.5s |
| Max. Čtení |
9999999.9kWh/kVArh |
| Přesnost | |
| Aktivní výkon | 0,5 % maxima rozsahu |
| Jalový výkon | 0,5 % maxima rozsahu |
Životní prostředí |
|
| Regulovaná pracovní teplota rozsah | -25℃~+55℃ |
| Omezený rozsah pracovních teplot | -40℃~+70℃ |
| Relativní vlhkost roční průměr | ≤90% |
| Kategorie instalace | CAT III |
| Stupeň znečištění | RoHS compliant |
Komunikace |
|
| Komunikace | Výstup RS485 pro Modbus RTU |
| Baud rate | 9600b/s(výchozí) |
| Pulse | 3200imp/kWh |
Mechanika |
|
| Rozměry | 94.5x72x65mm(LxWxH ) |
| Rozměry lišty Din | DIN rail 35mm |
| Úroveň ochrany | IP51 (indoor) |
2.Balení
| Položka | Množství | Popis |
| A | 1 | Třífázový elektroměr |
| B | 1 | Rychlý průvodce instalací |
| C | 1 | Kabel RS485 (standardní délka: 15 m) |
| D | 3 | Transformátor proudu |
Rozměry (jednotka: mm)
3.Instalace
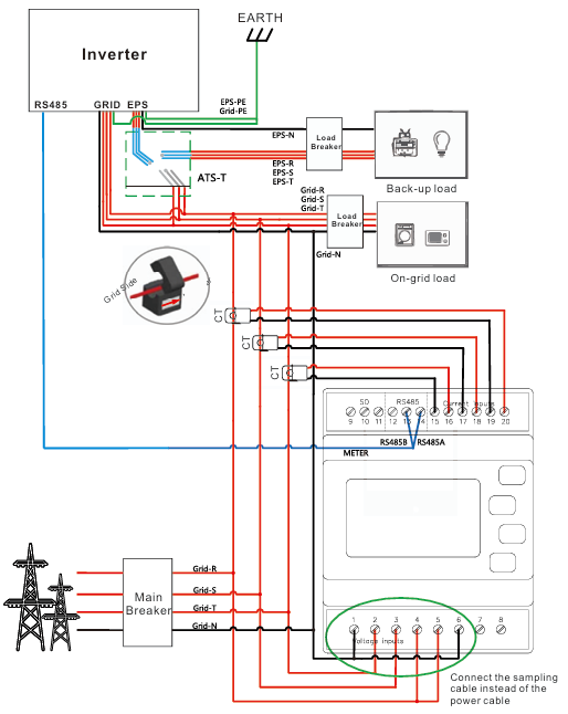
Schéma zapojení
3P3W:
Zapojení vedení pro odběr vzorků napětí L1: odpovídá kolíku 4 měřicího přístroje
Zapojení vedení pro odběr vzorků napětí L2: odpovídá kolíku 1 měřicího přístroje
Zapojení vedení pro odběr vzorků napětí L3: odpovídá měřicímu přístroji Pin 2
3P4W:
Zapojení vedení pro odběr vzorků napětí L1: odpovídá kolíku 4 měřicího přístroje
Zapojení vedení pro odběr vzorků napětí L2: odpovídá kolíku 3 měřicího přístroje
Zapojení vedení pro odběr vzorků napětí L3: odpovídá kolíku 2 měřicího přístroje
Zapojení vedení pro odběr vzorků napětí N: odpovídá měřicímu přístroji Pin 1
Zapojení komunikačního kabelu
SPH
Kabel LAN připojující měřič je dlouhý 15 m s konektorem RJ45 na obou stranách.
(jeden konec připojený k měřiči a druhý k měniči). Pokud
kabel není dostatečně dlouhý, můžete jej prodloužit až na délku 25 m.
Do střídače SPH zapojíme smart meter do konektoru METER
Správně zapojený RJ45 konektor, kde se používá pro smart meter pin 1 a pin 5.
Oranžovobílý vodič zapojený do pinu 1 je ve smart meteru Eastron zapojení na pozici RS485B pinu 13.
Modrobílý vodič zapojený do pinu 5 je ve smart meteru Eastron zapojený na pozici RS485A pinu 14.
MID/MOD
Ve střídači MID/MOD zapojíme komunikace mezi střídačem a smart meterem do komunikačního konektoru do pinu 5 a 6.
Z pinu 5 RS485A3 zapojíme kabel do smart meteru do pinu 14 RS485A
Z pinu 6 RS485B3 zapojíme kabel do smart meteru do pinu 13 RS485B
4.Popis a zobrazení tlačítek
Na panelu jsou čtyři dotyková tlačítka, která jsou uspořádána shora dolů takto: „ESC(←)V/A“, ‚↑(Alt)MD/PH/HZ‘, ‚↓(Shift)P‘,„ENTER(→)E“. Tato tlačítka lze ovládat dvěma způsoby: dlouhým stiskem (stisknutí na více než dvě sekundy) a krátkým stiskem (kratší než jedna sekunda).
| No. | Tlačítko | Funkce | Zobrazitelný obsah(krátký tisk) |
| 1 | Krátký tisk: zobrazí napětí a proud, ← Dlouhé stisknutí: ESC |
Fázové napětí, napětí vedení, fázový proud, neutrál proud, harmonické napětí, harmonické proudu, harmonické proudu. |
|
| 2 | Krátké stisknutí: zobrazení účiníku a frekvence, ↑ Dlouhé stisknutí: Alt |
Fázová(celková) frekvence, celkový účiník, fázová(celková) frekvence maximální proudový odběr |
|
| 3 | Krátké stisknutí: zobrazení napájení, ↓ Dlouhé stisknutí: Shift |
Fázový(celkový) činný výkon, Fázový(celkový) jalový výkon, Fáze(celkem) zdánlivý výkon |
|
| 4 | Krátký tisk: zobrazit elektrickou energii, → Dlouhé stisknutí: zadejte |
Celková činná elektrická energie, Celková jalová elektrická energie, Kladná činná elektrická energie, Zpětná činná elektrická energie. kladná jalová elektrická energie, zpětná aktivní elektrická energie, kladná jalová elektrická energie, zpětná jalová elektrická energie |
Výchozí komunikační adresa elektroměru a třífázového akumulačního/hybridního měniče Growatt je 02, výchozí přenosová rychlost je 9600 a proudové poměry jsou 250A/5A, 600A/5A, 1200A/5A, které jsou určeny připojeným CT. Pokud se komunikace mezi elektroměrem a střídačem nenaváže, zkontrolujte, zda je správně nastavena komunikační adresa a přenosová rychlost.
Dlouhým stisknutím přejděte do nabídky nastavení (ve výchozím nastavení je heslo 1000, poté pomocí
a
přejděte na požadovanou položku. stránku. Pokud stránka bliká, znamená to, že můžete parametr nastavit pomocí tlačítek
a
; pokud ne, stiskněte tlačítko
a vstoupíte do výběrové rutiny. Poté dlouhým stisknutím
potvrďte nastavení a stisknutím tlačítka
ukončete funkci
Měřič lze připojit k třífázovému měniči Growatt Storage/Hybrid dvěma způsoby a lze jej nastavit jako 3P3W nebo 3P4W před zahájením provozu.
5.Troubleshooting
| Porucha | Důvod | Řešení |
| Nepřesnost měření | 1. Chyba zapojení, zkontrolujte, zda je příslušná fáze sledu napětí a proudu je správná. 2. Zkontrolujte, zda výstupní vedení proudového transformátoru je zapojeno obráceně. 3. Poměr transformátoru není nastaven a měřič zobrazuje sekundární údaje. |
1. Zkontrolujte zapojení podle schématu zapojení. 2. Pokud je nastavení poměru transformátoru špatné, proveďte prosím správně nastavte poměr napětí a poměr proudu. 3. Pokud problém stále přetrvává, obraťte se na místní dodavatele. |
| Komunikace RS485 chyba (chyba měniče 401) |
1. Komunikační kabel RS485 je odpojen, zkratován nebo obráceně zapojen. 2. Adresa, přenosová rychlost, datový bit a paritní bit komunikační sítě jsou nesprávné. Měřiče nejsou v souladu s měničem. |
1. Pokud se vyskytne problém s komunikací kabelu, vyměňte komunikační kabel. 2. Nastavte adresu, přenosovou rychlost, datový bit a paritní bit měřiče pomocí tlačítek. 3. Pokud problém stále přetrvává, obraťte se na místní dodavatele. |
Kompletní schéma zapojení systému je znázorněno následovně. V případě, že měřicí přístroj nepracuje normálně, můžete podle něj zkontrolovat zapojení. Připojte měřič k portu RS485 měniče. V následujícím textu je jako příklad uveden měřič WIT.
6.Kompatibilita CT
CT obsažena v balení
| TPM-CT-E-EU(250/5A) | TPM-CT-E-EU(600/5A) | TPM-CT-E-EU(1200/5A | |
| Maximální detekce | 250A | 600A | 1200A |
| Vnitřní průměr | 30*20mm/1.17*0.78inch | 60*40mm/2.36*1.57inch | 120*80mm/4.72*3.14inch |
| Ukázky |
Lze použít i vlastní CT?
Ano lze použít vlastní proudový transformátor, je ale třeba si dát pozor na sekundární proud který u smart metrů značky Eastron může být 5A nebo 40mA.
Pokud bude použit nevhodný proudový transformátor, tak může dojít ke zničení zařízení.
Pokud dojde k výměně CT za vlastní tak je třeba provést kontrolu nastavení smart meteru.
7.Display smart meteru
Zobrazené parametry
-
Napětí mezi fázemi a nulou (V)
-
Fázový proud (A)
-
Celkové harmonické zkreslení napětí (U%THD)
-
Proudové celkové harmonické zkreslení (I%THD)
-
Frekvence (Hz)
-
Účiník (PF)
-
Proud Maximální odběr (MD A)
-
Maximální odběr výkonu (MD kW)
-
Činný výkon (kW)
-
Jalový výkon (kVAr)
-
Zdánlivý výkon (kVA)
-
Dovozní činná energie (kWh)
-
Vývoz činné energie (kWh)
-
Celková činná energie (kWh)
-
Dovozní jalová energie (kVArh)
-
Exportovaná jalová energie (kVArh)
-
Celková jalová energie (kVArh)
8.Nastavení
Příklad: Pokud používáte 100/5A CT, musíte pojistit CT2 (sekundární) je nastaven na 5 a rychlost CT je 0020. Dělíte Primární hodnotu vydělíte sekundární hodnotou, abyste získali rychlost CT, kterou je třeba zadat. (100/5=20).
Tlačítka se ovládají takto:
| Vybírá zobrazení napětí a proudu obrazovky. V režimu nastavení je to „Levá“. nebo tlačítko „Zpět“. | |
| Vyberte frekvenci a účiník zobrazit obrazovky. V režimu nastavení je to tlačítko „Nahoru“. | |
| Vyberte obrazovky displeje napájení. V nabídce Set je to tlačítko „Dolů“. | |
| Vyberte obrazovky zobrazení energie. V okně Set je to tlačítko „Enter“ nebo „Right“. Tlačítko „Right“ (Vpravo). |
Důležité nastavení
CT
Volba CT nastavuje sekundární proud (CT2 1A nebo 5A). proudového transformátoru (CT), který je připojen k měřicímu přístroji.
V nabídce nastavení, použijte tlačítka a
vyberte možnost CT.
Sekundární nastavení CT Stiskněte tlačítko pro vstup do Sekundární proud CT
volby: 5A/1A
Nastavení hodnoty poměru CT Stiskněte tlačítko pro zadání CT Ratio. Rozsah je od 0001 až 9999.
Například při použití proudového transformátoru 100/5A můžete zadáte 0020, protože je třeba dělit primární proud proudem, abyste získali poměr (rychlost CT).
PT
Volba PT nastavuje sekundární napětí (PT2 100 až 500 V) transformátoru napětí (PT), který může být připojen k měřiči.
Použití a
tlačítka pro výběr možnosti PT. Na obrazovce se zobrazí napětí PT sekundární hodnotu napětí. Výchozí hodnota je 400 V.
Sekundární nastavení PT Stiskněte tlačítko pro vstup do Sekundární napětí PT volby. Zobrazí se v rozsahu od 100 do 500 V.
Nastavení hodnoty poměrů PT Stisknutím tlačítka zadejte hodnotu PT poměru. Rozsah je od 0001 až 9999.
Pokud například nastavíte poměr na 100, znamená to, že primární napětí rovná sekundárnímu napětí x100.
Příklad nastavení smart meteru a měřících transformátorů 250/5A
Sekundární proud pro CT 250/5 = 5
Poměr CT pro 250/5 = 50
Sekundárního napětí = 400v
Nastavení hodnoty poměru PT = 1
9.Komunikace
Vždy ověřte správnou komunikace mezi smart meterem a střídačem. Jestli smart meter správně komunikuje zjistíte na display smart meteru, kde bude zobrazena ikona telefonu. Bez této ikony neprobíhá komunikace.
Komunikační adresa
Komunikační adresu nedoporučujeme měnit. Pokud dojde ke změně komunikační adresy tak se nemusí zařízení správně zobrazit v monitoringu Growatt. Výchozí komunikační adresa pro smart meter Eastron je 002.
10.Komunikace Modbus
Výstup RS485 pro Modbus RTU
Pro komunikaci Modbus RTU se používá následující komunikace RS485 lze konfigurovat v menu nastavení:
Přenosová rychlost 2400, 4800, 9600, 19200, 38400.
Parita žádná (výchozí) / lichá / sudá
Stop bity 1 nebo 2
Síťová adresa RS485 nnn - třímístné číslo, 1 až 247
Pořadí slov Modbus Pořadí bajtů Hi/Lo je automaticky nastaveno na normální nebo obrácené. Nelze jej konfigurovat z v nabídce nastavení.
Pro komunikaci s Modbus použijte originální Modbus protokol od zařízení Eastron. Požadavek na tento dokument zasílejte na email podpora@solsol.cz